聯系我們
For More Information Call
0577-27880030
光伏發電作為一種清潔的能源生產方式,在國內外得到迅速的發展,ZGS□-Z.T-□/□系列組合式變壓器正是為滿足日益增長的光伏發電的供電要求,我公司生產10kV、35kV組合式變壓器基礎上,消化吸收各技術結合國內需求自行開發的系列產品。
該產品是將變壓器,負荷開關,高壓熔斷器安裝在變壓器的箱體內,利用變壓器的絕緣液體作為整個產品的絕緣和散熱介質,采用全密封結構,外殼采用分體,噴丸、酸洗、磷化、分別噴涂底漆、中間漆、面漆達到表面的防腐性、耐厚性、防紫外線性均超過普通噴涂的強度,具有體積小,重量輕、安裝方便等優點。
型號及其含義
正常使用環境條件
海拔不超過3000m;
環境溫度范圍為:-40℃~+45℃;
戶外風速不超過30m/s;
相對濕度:日平均值不大于95%,月平均值不大于90%;
電源電壓的波形近似正弦波,三相電源電壓近似對稱;
安裝地點:安裝在無火災、爆炸危險、嚴重污染、化學腐蝕及劇烈震動的場所。
超出以上正常使用環境條件,用戶可與本廠協商解決。
主要技術參數
4.1 電壓
系統電壓:35kV、36.75kV、38.5kV/ 10kV、10.5kV
高壓側最高工作電壓:40.5kV / 12kV
低壓側額定電壓:0.27kV、0.3kV、0.315kV、0.4kV / 0.44kV、0.48kV
4.2 額定頻率:50Hz
4.3 相數:三相
4.4 絕緣水平(見表1)

4.5 變壓器絕緣等級為A級絕緣,繞組溫升不超過65K,油頂層溫升不超過60K。
4.6 防護等級:油箱IP68,高低壓室IP54,高壓室門打開后IP3X。
4.7 產品的結構可分為:美式、歐美結合或歐式。


產品結構特點
組合變的變壓器部分
變壓器器身與油箱配合緊密,且有固定裝置。高、低引線全部采用軟連接,分接引線與無載分接開關之間采用冷壓焊接并用螺栓緊固,所有連接(包括線圈與后備熔斷器、插入式熔斷器、負荷開關等)都采用冷壓焊接,緊固部分帶有自鎖防松措施,變壓器能夠承受長途動輸的震動和顛簸,發送到用戶安裝場所后無需進行常規的吊芯檢查。
變壓器整體為密封式結構,沒有儲油柜。
變壓器在封裝時采用真空注油工藝,完全去除了變壓器中的潮氣,運行時變壓器油不與大氣接觸,有效地防止氧氣和水分浸入變壓器而致變壓器絕緣性能的下降和變壓器油的老化。
變壓器在封裝時采用真空注油工藝,完全去除了變壓器中的潮氣,運行時變壓器油不與大氣接觸,有效地防止氧氣和水分浸入變壓器而致變壓器絕緣性能的下降和變壓器油的老化。
箱體采用特殊工藝處理,具有良好的防腐能力,能有效防止風沙和沿海鹽霧的侵蝕。
熔斷器保護
10KV級組合變
由高壓后備限流保護熔斷器與插入式過載保護熔斷器串聯使用,對變壓器提供全范圍保護。高壓限流保護熔斷器作為變壓器的短路保護,插入式過載保護熔斷器作為美式電力變壓器及其它電力設備過載及小故障短路電流的保護。
35KV級組合變
采用一種新型的全范圍保護用高壓限流熔斷器,它能夠可靠的開斷引起熔體熔化的電流至額定開斷電流之間的任何故障電流,它是利用限流式熔斷器具有較高分斷能力,而非限流式熔斷件卻具有較好的小電流保護特點,結合兩種熔斷件的不同特點,組合為一體獲得全范圍開斷的良好特性。
高低壓柜
10KV級組合變
高低壓柜是一個整體的防風雨外殼,兩個并排的高、低壓柜由隔板隔開,高、低壓柜門采用聯鎖式,只有打開低壓柜門后才能開啟高壓柜門,門的轉動幅度大,提供最大的維護方便性。
在高壓柜的前壁上裝有高壓套管,單通或雙通,肘形電纜頭,在每個高壓套管座旁邊都有一個壁掛,用于安裝壁掛式單通或雙通接頭,以便來容納從變壓器上拔出的肘形電纜接頭的插入,運行時肘形電纜頭的插拔操作應使用絕緣操作棒。
安裝前請參閱肘形電纜頭的使用說明書。
警告:插拔肘形電纜頭前,負荷開關必須切換到該路肘形電纜頭與變壓器斷開位置,否則會引起嚴重的設備損壞或人身傷亡事故。
注:高壓也可采用純瓷套管出線方式。
35KV級組合變
高低壓柜分別設置防風雨外殼,兩者采用“目”型排列,高壓柜門采用網門電磁鎖保護措施,可根據用戶要求設置避雷器和帶電顯示器等其他電氣元件。
高壓側采用金屬法蘭式純瓷套管出線,套管水平安裝,箱壁上焊接帶密封槽的專用法蘭,能夠有效保證套管密封性能。
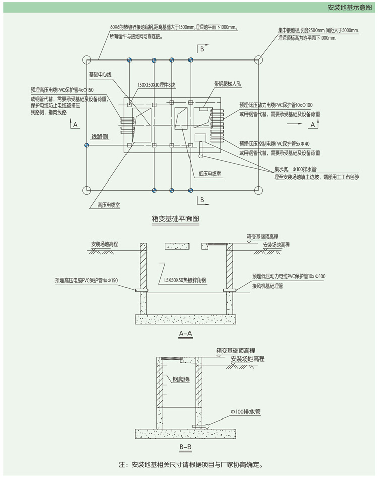
安裝地基圖



